I will created a 2d or 3d design to be viewed as a 3d part
About:
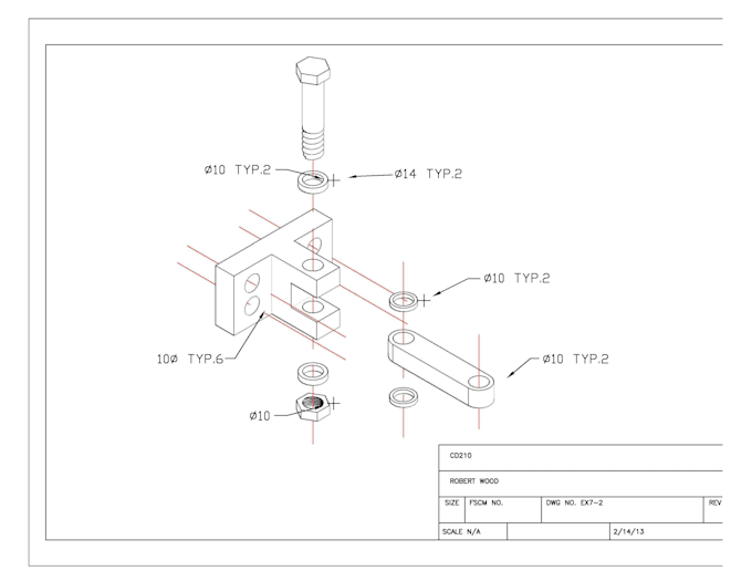
2d and 3d design, with part drawings, Isometric view, and exploded isometric view of the assembly, with details and full dimensions. Also pages for each part and dimensions for those individual parts.Reviews
bryancastle1:I gave him a big project with nineteen parts and he delivered what I requested and on time. I would use him again.
rwood_designs:The buyer had a complicated project with multiple pieces. I loved it. It gives me the opportunity to try different things and strengthen my knowledge. I would definitely work with this buyer again!
vitaliynechay:Very pleasant to work with, did a good job. Will definitely come back for more future projects.
rwood_designs:The buyer was very specific and forthcoming with directions for the best product
bryancastle1:I gave him a big project with nineteen parts and he delivered what I requested and on time. I would use him again.

No comments:
Post a Comment